Запасные части ЧТЗ Запасные части ЧТЗ
Сочи
Например:
Актобе
Алдан
или
Выбрать автоматически
Актобе
Алдан
Алматы
Алчевск
Архангельск
Астана
Астрахань
Атырау
Баку
Балашиха
Барнаул
Белгород
Бердянск
Бишкек
Владивосток
Владикавказ
Воркута
Воронеж
Горловка
Грозный
Донецк
Екатеринбург
Иваново
Ижевск
Иркутск
Казань
Калининград
Каменск-Уральский
Караганда
Каховка
Кемерово
Киров
Комсомольск-на-Амуре
Костанай
Краснодар
Красноярск
Красный луч
Ленск
Луганск
Магадан
Магнитогорск
Макеевка
Махачкала
Мелитополь
Минск
Мирный (Якутия)
Москва
Мурманск
Нерюнгри
Нижневартовск
Нижний Новгород
Нижний Тагил
Новая каховка
Новокузнецк
Новосибирск
Новый Уренгой
Норильск
Ноябрьск
Нур-Султан
Омск
Оренбург
Ош
Павлодар
Пермь
Петрозаводск
Петропавловск
Петропавловск-Камчатский
Псков
Ростов-на-Дону
Салехард
Самара
Санкт-Петербург
Саратов
Севастополь
Семей
Симферополь
Сочи
Ставрополь
Сургут
Сыктывкар
Тараз
Ташкент
Токмак
Томск
Тында
Тюмень
Ульяновск
Усинск
Усть-Каменогорск
Уфа
Хабаровск
Ханты-Мансийск
Херсон
Челябинск
Чита
Шымкент
Экибастуз
Энергодар
Южно-Сахалинск
Якутск
Ваш город
Сочи
Войти
Запасные части к тракторам на одном сайте
+7 (932) 303-00-10
+7 (932) 303-00-10
г. Сочи, ул. Краснодонская, д. 64
Пн-Пт: 9:30-18:30 Cб-Вс: Выходной
Отправить заявку


Бульдозер Б10М.08 усовершенствованная трансмиссия


/
с НДС 20%
Описание
Бульдозер Б10М.0811-1Е - представитель наиболее востребованного типоразмера тракторов класса 10, в выпуске которых Челябинский тракторный завод является традиционным лидером. Бульдозеры этого класса предназначены для разработки грунтов I - III категории без предварительного рыхления. Эксплуатируются в условиях умеренного и холодного климата при температуре окружающего воздуха от + 45°С до - 40°С, на высоте до 3000 метров над уровнем моря.

Основным отличием новой модели тракторов является сочетание преимуществ механической трансмиссии (высокий КПД), с достоинствами гидромеханической трансмиссии (лёгкое управление).

Исключён такой узел, как гидротрансформатор. Функцию муфты сцепления выполняют два фрикциона реверса коробки передач (I и II планетарных рядов), включение которых происходит через дроссель в гидросистеме управления, что обеспечивает плавное возрастание давления в коробке передач и плавное включение фрикционов.

На тракторе установлена серийная планетарная коробка передач, применяемая на тракторе с гидромеханической трансмиссией.

Между двигателем и коробкой передач установлены торсионный и карданный валы.

Торсионный вал соединён с маховиком двигателя через фланец со шлицами, а другой стороной с карданным валом через полумуфту. Торсионный вал служит для снижения динамических нагрузок при переменных нагрузках и переключении передач. Внутри кожуха торсионной муфты расположен редуктор, обеспечивающий привод насоса системы управления и смазки трансмиссии. Редуктор имеет заправочную емкость, независимую от системы управления и смазки трансмиссии.

Преимущества бульдозера Б10М.08

Применение карданного вала исключает необходимость центровки двигателя и коробки передач и даёт возможность установки двигателя на амортизаторы, что позволит снизить вибрацию на рабочем месте оператора.

Гидравлическое управление коробкой передач позволяет быстро и легко переключать передачи и производить реверсирование агрегата.

Гидравлическая система управления и смазки трансмиссии, пост управления и кабина - унифицированы с трактором Т10М с гидромеханической трансмиссией.

Сохранены серийные агрегаты заднего моста: главная передача, бортовые фрикционы, бортовые редукторы.

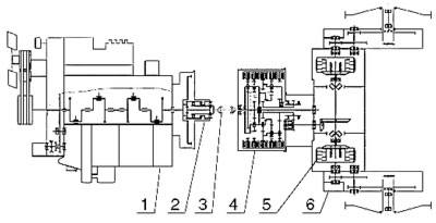
Усовершенствованная механическая трансмиссия бульдозера Б10М.08

Усовершенствованная механическая трансмиссия по сравнению с гидромеханической имеет более высокий КПД. Поэтому трактор Б10М.0811-1Е с установленным на него серийным двигателем Д180М1, имеющим запас крутящего момента не менее 25%, не уступает по производительности тракторам с ГМТ и обеспечивает при этом уменьшение расхода топлива на единицу разработанного грунта на 10-15%.

Усовершенствованная механическая трансмиссия
Усовершенствованная механическая трансмиссия
Соединение двигателя 1 с коробкой передач 4 - через упругую муфту 2 карданным валом 3. Гидросервированное управление - бортовыми фрикционами 5. Цилиндрические бортовые редукторы 6.

ПередачаСкорость движения при отсутствии буксования, км/ч
IIIIII
Передний ход 3,055,368,32
Задний ход3,786,5910,26

Технические характеристики бульдозера Б10М.08

Ходовая система
Количество опорных катков с каждой стороны, шт5
Количество поддерживающих катков с каждой стороны, шт2
Ширина башмака гусеницы, мм500
Дорожный просвет (на твердом грунте), мм435

Гидрсистема навесного оборудования
Максимальное давление, МПа18±2
Производительность насоса НШ-100, л/мин.
(при 1250 об./мин. коленчатого вала двигателя)
180
Заправочная емкость гидросистемы для тракторов с бульдозерным оборудованием, л, не более122

Прицепное устройство и навесное оборудование
Жесткое прицепное устройство предназначено для тяжелых работ с реализацией полной силы тяги, развиваемой трактором.
Бульдозерное оборудование с полусферическим отвалом с объёмом призмы волочения 4,75 м³

Масса эксплуатационная
Масса эксплуатационная трактора с бульдозерным оборудованием типа Е и жестким прицепным устройством, кг: 18700

Габаритные размеры бульдозера Б10М.08
Бульдозер Б10М.08 усовершенствованная трансмиссия