Запасные части ЧТЗ Запасные части ЧТЗ
Сочи
Например:
Актобе
Алдан
или
Выбрать автоматически
Актобе
Алдан
Алматы
Алчевск
Архангельск
Астана
Астрахань
Атырау
Баку
Балашиха
Барнаул
Белгород
Бердянск
Бишкек
Владивосток
Владикавказ
Воркута
Воронеж
Горловка
Грозный
Донецк
Екатеринбург
Иваново
Ижевск
Иркутск
Казань
Калининград
Каменск-Уральский
Караганда
Каховка
Кемерово
Киров
Комсомольск-на-Амуре
Костанай
Краснодар
Красноярск
Красный луч
Ленск
Луганск
Магадан
Магнитогорск
Макеевка
Махачкала
Мелитополь
Минск
Мирный (Якутия)
Москва
Мурманск
Нерюнгри
Нижневартовск
Нижний Новгород
Нижний Тагил
Новая каховка
Новокузнецк
Новосибирск
Новый Уренгой
Норильск
Ноябрьск
Нур-Султан
Омск
Оренбург
Ош
Павлодар
Пермь
Петрозаводск
Петропавловск
Петропавловск-Камчатский
Псков
Ростов-на-Дону
Салехард
Самара
Санкт-Петербург
Саратов
Севастополь
Семей
Симферополь
Сочи
Ставрополь
Сургут
Сыктывкар
Тараз
Ташкент
Токмак
Томск
Тында
Тюмень
Ульяновск
Усинск
Усть-Каменогорск
Уфа
Хабаровск
Ханты-Мансийск
Херсон
Челябинск
Чита
Шымкент
Экибастуз
Энергодар
Южно-Сахалинск
Якутск
Ваш город
Сочи
Войти
Запасные части к тракторам на одном сайте
+7 (932) 303-00-10
+7 (932) 303-00-10
г. Сочи, ул. Краснодонская, д. 64
Пн-Пт: 9:30-18:30 Cб-Вс: Выходной
Отправить заявку


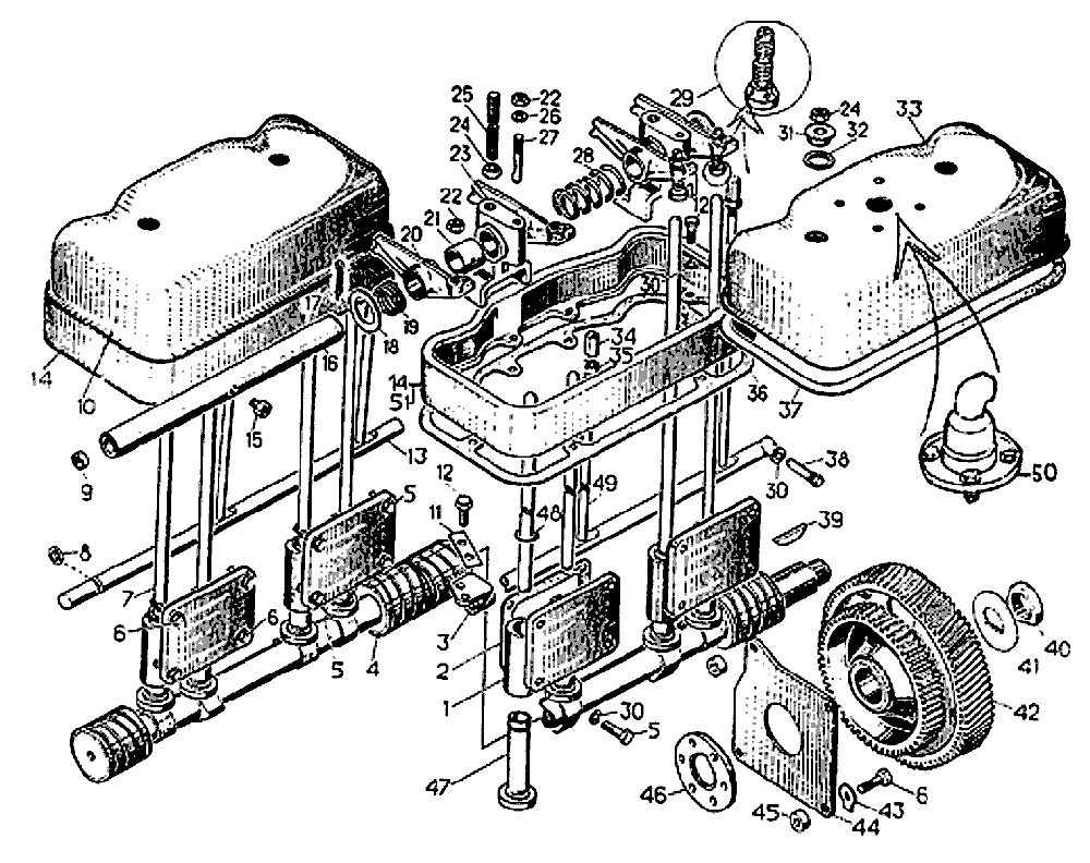
Механизм газораспределения на Т-170


/
с НДС 20%
Описание
Механизм газораспределения Т-170
Поз.НаименованиеАртикулКол-во в сборке
0Вал распределительный14-04-111-1СП1
0Валик14-04-115СП1
0Валик14-04-116СП2
0Коромысло 14-04-112СП4
0Механизм газораспределения51-04-7СП1
1Кронштейн14-04-234
2Прокладка 408454
3Подшипник022361
4Вал распределительный 14-04-20-11
5Болт042078
6БолтМ10Х30.58.01912
7 Штанга 042084
8Кольцо 014-018-25-2-21
9Заглушка02802
10Колпак 14-04-119СП2
11Пластина313831
12БолтМ10Х25.58.01914
13Валик декомпрессора14-04-261
14Основание колпака51-04-271
16Валик коромысел14-04-241
18Шайба31772
19Пружина700-38-20262
20Коромысло клапана14-04-21-21
21Втулка51-04-471
22Гайка302096
23Стойка14-04-272
24Гайка700-30-24178
26Шайба12ОТ65Г092
27Стопор042162
28Пружина700-38-24651
29Винт51-04-444
30Шайба10 ОТ 65Г 0929
31Втулка51-04-554
32Прокладка 462674
33Колпак 14-04-119-01сп1
34Наконечник022771
35ГайкаГПШ-М10Х11
36Прокладка 700-40-21082
37Прокладка 700-40-28962
37Прокладка700-40-31482
37Прокладка700-50-88682
38Винт700-35-20091
40Гайка 30551
41Шайба 31701
42Колесо зубчатое 04202-11
44Плита042031
45Втулка04744
46Шайба 04731
47Толкатель 042048
48Кольцо042058
50Основание колпака16-04-221
Механизм газораспределения